|
||||||||||||||||||||||||||||
| ISO 9001 : 2008 CERTIFICATE | ||||||||||||||||||||||||||||
![]() |
||||||||||||||||||||||||||||
| Click for enlarge | ||||||||||||||||||||||||||||
|
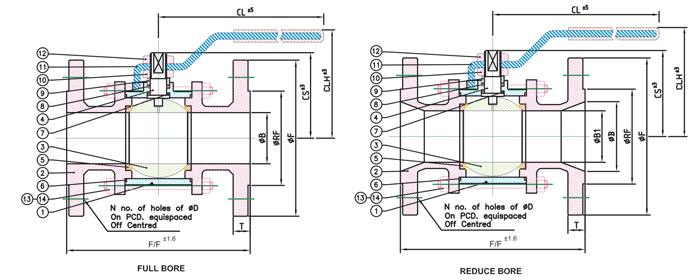
THREE PIECE BALL VAVE

Salient Feature
- The valves are designed to ensure that ball port fully aligns with body throat port in fully open position.
- The blow out proof over size steam operated the valve safety even at high differential pressure a seal enabling replacement of gland packing even when valve may under pressure.
- Bi- directional shut off
- Ball is a heart of ball valves. Owing to the accurate manufacturing the ball is extremely spherical. Its mirror finish surface increase the sealing life and low operating torque.
- High flow capacity with negligible pressure loss.
- Unique flexible lip seats exert continues sealing pressure automatically compensate for wear and for changes in temperature & pressure, and provide extremely high cycle life.
- Full port valve offers and resistance to flow operation is always easy, even when valves are operated infrequently.
- The valve wrench (handle) is always parallel the flow passage of the valve.
- Joints between bodies and body connectors in the case of flanged valve do not affect normal bolting or unbolting connection pipe works.
- Body design provides adequate resistance against any permanent distortion under hydrostatic test and working condition.
- Screwed end valves intended for assembly with pipe threads according to IS-554/BSP thread.
- Flanged end valves are supplied undrilled unless other wise specified by the customer at the time of placing order with us along with standard in which drilling is desired
- Design available with mounting pad conforming to ISO for easy actuator adaptation.
- Electro less nickel plating ball are also available on request.
- Locking arrangement
- Gear box, electric or pneumatic actuator design available
- Single Piece, Two piece design available on request
- We can offer valves under X-ray quality on request
| CONSTRUCTION : | 3 Piece full bore, reduce bore, blow out proof stem , Floating ball, fire safe /non fire safe design. |
| MANUFACTURING STD : | BS 5351/BS 5159/API 607/API 6D |
| INSPECTION TEST STD : | BS 6755/ API 598/ ISO 5208 |
| FACE TO FACE : | ASME B 16.10/ API 6D/ ISO - 14313 |
| END CONNECTION : | Flanged to ASME B-16.5 RF 150#, Flanged to ASME B-16.1 FF 125#, Socket to ASME-B-16.11, Screwed to BSP/NPT/BSPT |




