Our Products
      Ball Valves
     Gate Valves
      Globe Valves
      Forged Valves
      Check Valves
      Butterfly Valves
     Strainer
      GFF Sight Flow Indicator
      Sight Flow Indicator
      Lubricating Plug Valves
 
 
 
ISO 9001 : 2008 CERTIFICATE
TUV Certificate
Click for enlarge
 
QUICK CONTACT FORM
Name :
Email :
Phone :
Comments :
Comments Enter Code Below:
 
   

BUTTERFLY VALVES

Nisha Gate ValvesSalient Feature Option
Material Of Construction
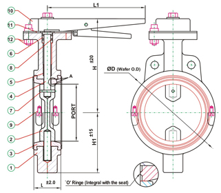
P. No Qty. Nomenclature Material
1 1 BODY CI. IS 210 Gr. FG 200 /WCB /CF8 /CF8M
2 1 DISC CI. IS 210 Gr. FG 200 /WCB /CF8 /CF8M
3 1 SEAT ( REPLACEABLE ) NITRILE /NEOPRENE/ EPDM / HYPALON / VITON/PTFE
4 2 STEM AISI 410 / AISI 304 / AISI 316
5 2 BEARING BUSH BRASS / STAINLESS STEEL- PTFE
6 2 BUSH PTFE/POLY ACETAL / NYLON
7 Req. TAPER PIN S.S. 304 / S.S. 316
8 3 ‘O’ RINGS NITRILE/NEOPRENE/ EPDM/VITON
9 Req. BODY CLAMP. CAP SCREWS CARBON STEEL / S.S. 304
10 2 BOILS & NUTS CARBON STEEL
11 1 NOTCH DISC CARBON STEEL
12 1 LEVER CARBON STEEL- FABRICATED
  Gate Valve Drawing
Technical Specification
Manufacturing BS 5155 / API 609 / IS 13095
Face to Face
(WAFER SHORT)
BS 5155 / API 609 (CATEGORY A ) / IS 13095
End Connection WAFER TO SUIT ANSI B16.5 150# / DIN 2542 (PN-10)
DIN 2543 (PN-16) / Bs10 TABLE E
Inspection &
Testing Std
BS 5155 / BS 6755 (part-1) / API 598 / IS 13095
 
 
  • Alternatively device of the disc to shaft connection can be provided at our option.
  • The valve can be supplied with matching pneumatic or electrically operated actuator for remote / automated control and operation.
  • The design and technical data furnished here are subject to change due to continuous product development.
C/F:-
  • Neck flange according to ISO -5211 hand lever can be locked through pad lock.
  • Excellent flow control in quarter turn operation.
  • Body & stem to tally protected from service fluid.
  • Centrally mounted disc, shafts and bearings, therefore valves give higher cv valves.
  • Face to face water short dimensions conform to BS 5155 / API 609 / IS 13095 / AWWA C 504.
  • Uniflow direction installation.
  • Pressure rating PN 10 / PN 16
    Testing body : 1.5 * PN
    Seat : 1.1 * PN
  • Temp range: - 20'c to 180 'c (depending on MOC)
  Application
  • COMPRESSED AIR PLANTS.
  • CHEMICAL INDUSTRY.
  • SUGAR INDUSTRY.
  • DRILLING RIGS.
  • GASES AND VAPOURS PLANTS.
  • PAPER INDUSTRY.
  • PHARMACEUTICAL PLANTS.
  • MILK & FOOD INDUSTRY.
  • AGGRESSIVE CHEMICALS.
  • REFRIGERATION & AIR CONDITIONING PLANTS.
  • HIGH VACCUM APPLICATION.
  • COOLING WATER CIRCULATION.
  • CONSTRUCTION INDUSTRY.
  • WATER TREATMENT PLANT.
  • PESULPHURISATION PLANTS.
Selection Gland Packing Material
 
SIZE PORT L H H1 L1 ØD
40 38 33 114 58 200 81.5
50 50 43 130 70 200 95
65 65 46 140 80 200 108
80 80 46 147 85 200 126
100 100 52 170 105 250 157
125 125 56 187 118 250 189
150 150 56 205 135 250 211
200 200 60 255 164 360 266
250 250 68 285 198 360 328
300 300 78 330 238 360 378.5
             
  New developed
1 PFA LINED BUTTERFLY VALVES
PTFE lined valves are especially design for high corrosive or chemically aggressive media.
2 OFFSET DESIGN BUTTERFLY VALVES.
3 HIGH PERFOMANCE METAL TO METAL BUTTERFLY VALVES.
High performance valves are used with high pressure and temperature application.
4 DOUBLE ACCENTRIC BUTTERFLY VALVES.